| 產品型號: | GFGIQ-16C |
| 公稱通徑: | DN50~DN2000 |
| 公稱壓力: | PN1.6MPA |
| 適用溫度: | -30℃~120℃ |
| 主要材質: | WCB、304、316、316L不銹鋼等 |
產品概述
GFGIQ型氣動高真空蝶閥是通過電磁換向閥改變氣路方向,控制執(zhí)行氣缸驅動蝶閥作啟閉運動。用于接通或切斷真空管路中的氣流。適用介質為純凈空氣和非腐蝕性氣體。可選配反饋信號裝置及電氣閥門定位器。GFGIQ型氣動高真空蝶閥是通過電磁換向閥改變氣路方向,控制執(zhí)行氣缸驅動蝶閥作啟閉運動。用于接通或切斷真空管路中的氣流。適用介質為純凈空氣和非腐蝕性氣體。可選配反饋信號裝置及電氣閥門定位器。
技術參數
●漏率:≤1.3×10-9Pa.M3/S;
●適用壓力范圍:1.3×10-5Pa~3×105Pa;
●工作溫度:氟橡膠-25℃~+150℃;
●安裝位置:任意;
●氣源壓力:0.4-0.6Mpa;
●閥板兩側壓力差與閥門開、關無關;
●壽命:≥10000次。
主要零件材料
體、桿、板 不銹鋼、碳鋼鍍鎳;
密封件 氟橡膠、氟橡膠
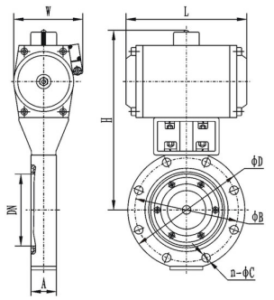
外形連接尺寸

產品結構圖
外形尺寸
|
型號 |
DN |
D |
D0 |
B |
N |
C |
H |
L |
E |
|
GIQ-32 |
32 |
90 |
70 |
22 |
4 |
9 |
187 |
158 |
58 |
|
GIQ-40 |
40 |
100 |
80 |
22 |
4 |
9 |
197 |
158 |
58 |
|
GIQ-50 |
50 |
110 |
90 |
22 |
4 |
9 |
207 |
158 |
58 |
|
GIQ-63 |
63 |
130 |
110 |
28 |
4 |
9 |
227 |
158 |
58 |
|
GIQ-80 |
80 |
145 |
125 |
28 |
8 |
9 |
242 |
158 |
58 |
|
GIQ-100 |
100 |
165 |
145 |
28 |
8 |
9 |
262 |
158 |
58 |
|
GIQ-125 |
125 |
200 |
175 |
34 |
8 |
11 |
323 |
172 |
70 |
|
GIQ-160 |
150 |
225 |
200 |
34 |
8 |
11 |
348 |
172 |
70 |
|
GIQ-200 |
200 |
285 |
260 |
40 |
12 |
11 |
450 |
197 |
97 |
|
GIQ-250 |
250 |
335 |
310 |
45 |
12 |
11 |
525 |
248 |
117 |
|
GIQ-320 |
300 |
425 |
395 |
50 |
12 |
14 |
622 |
248 |
117 |
|
GIQ-400 |
400 |
510 |
480 |
60 |
16 |
14 |
733 |
295 |
138 |
|
GIQ-500 |
500 |
610 |
580 |
70 |
16 |
14 |
900 |
360 |
159 |
|
GIQ-600 |
600 |
750 |
720 |
80 |
20 |
14 |
980 |
370 |
174 |
|
GIQ-800 |
800 |
920 |
890 |
100 |
24 |
14 |
1220 |
410 |
240 |
|
GIQ-1000 |
1000 |
1120 |
1090 |
120 |
32 |
14 |
1594 |
580 |
300 |
|
GIQ-1250 |
1250 |
1440 |
1404 |
150 |
36 |
19 |
2050 |
736 |
390 |

首頁 關于我們 技術支持 產品中心 新聞動態(tài) 固菲承諾 聯系我們
版權所有:固菲閥門(上海)有限公司 備案號:滬ICP備16051329號-1
技術支持:寧波網站建設-榮勝網絡
有情鏈接:XXXXXXXXX有限公司 XXXXXXXXX有限公司 XXXXXXXXX有限公司 XXXXXXXXX有限公司 XXXXXXXXX有限公司 XXXXXXXXX有限公司
XXXXXXXXX有限公司 XXXXXXXXX有限公司